$49.00



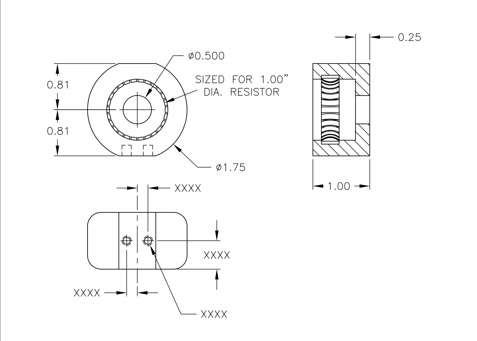
These resistor clips provide an electrical connection for 1” diameter tubular resistors. Their natural spring action provides good electrical contact with the conductive end of the resistor. The material is beryllium copper.
| Weight | 1 oz |
|---|---|
| Dimensions | 4 × 4 × 2 in |